
MIL-DTL-23450D
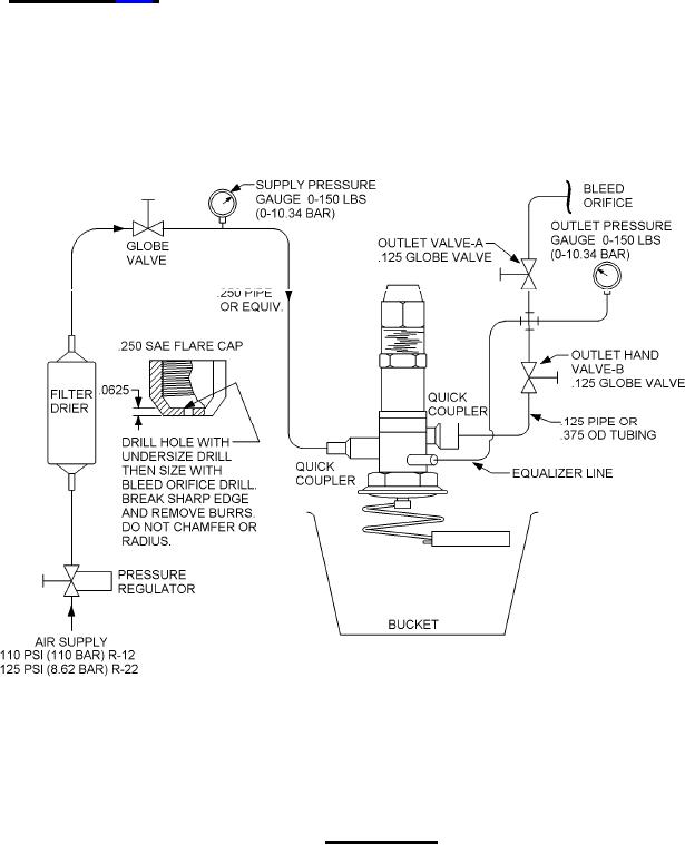
4.4.4 Capacity (see 3.5.1). The capacity test shall be performed according to the individual
manufacturer's capacity test standards to determine compliance in 3.5.1. The following details shall
apply:
a. The valve shall be tested for minimum capacity on the fixture shown on figure 1.
b. The test pressure and bleed used shall be the manufacturer's standard for each MS PIN valve.
c. Any nonconformance with the minimum capacity requirements in 3.5.1 shall constitute failure of
this test.
Inches
mm
.0625
1.59
.125
3.18
.250
6.35
.375
9.53
NOTES:
1. Dimensions are in inches.
2. Metric equivalents are given for general information only.
FIGURE 1. Test apparatus.
6
For Parts Inquires call Parts Hangar, Inc (727) 493-0744
© Copyright 2015 Integrated Publishing, Inc.
A Service Disabled Veteran Owned Small Business