DETAIL SPECIFICATION SHEET
INCH-POUND
MS28767B
8 August 2006
SUPERSEDING MS28767A
30 April 1957
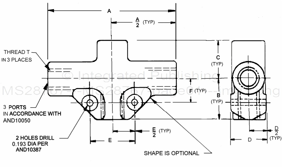
VALVE, SHUTTLE, HYDRAULIC, INTERNAL THREAD, TUBE FITTING OUTLET, 3000 PSI, TYPE II SYSTEMS
INACTIVE FOR NEW DESIGN AFTER 30 April 1999
This specification is approved for use by all Departments and Agencies of the Department of
Defense.
The requirements for acquiring the product described herein shall consist of this specification sheet and MIL-DTL-19068.

FIGURE 1. Valve design and mounting dimensions.
AMSC N/A FSC 4820
For Parts Inquires call Parts Hangar, Inc (727) 493-0744
© Copyright 2015 Integrated Publishing, Inc.
A Service Disabled Veteran Owned Small Business