MS28766B

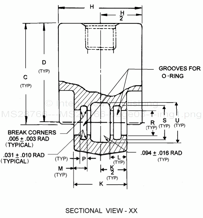
FIGURE 2. Body, valve design and configuration - Continued.
Notes:
1. Dimensions are in inches. Unless otherwise specified, tolerances linear dimensions for 3 digits + .005, 4 digits + .0005, angles + 0.5o.
2. The drawing outline as shown is maximum and is not restrictive to actual design but location of the ports must be maintained.
3. Provide a lock wire hole clear of the F diameter and boss surfaces.
4. All radii shall be smooth and blended. No sharp tool marks are allowed.
3
For Parts Inquires call Parts Hangar, Inc (727) 493-0744
© Copyright 2015 Integrated Publishing, Inc.
A Service Disabled Veteran Owned Small Business