MS28766B

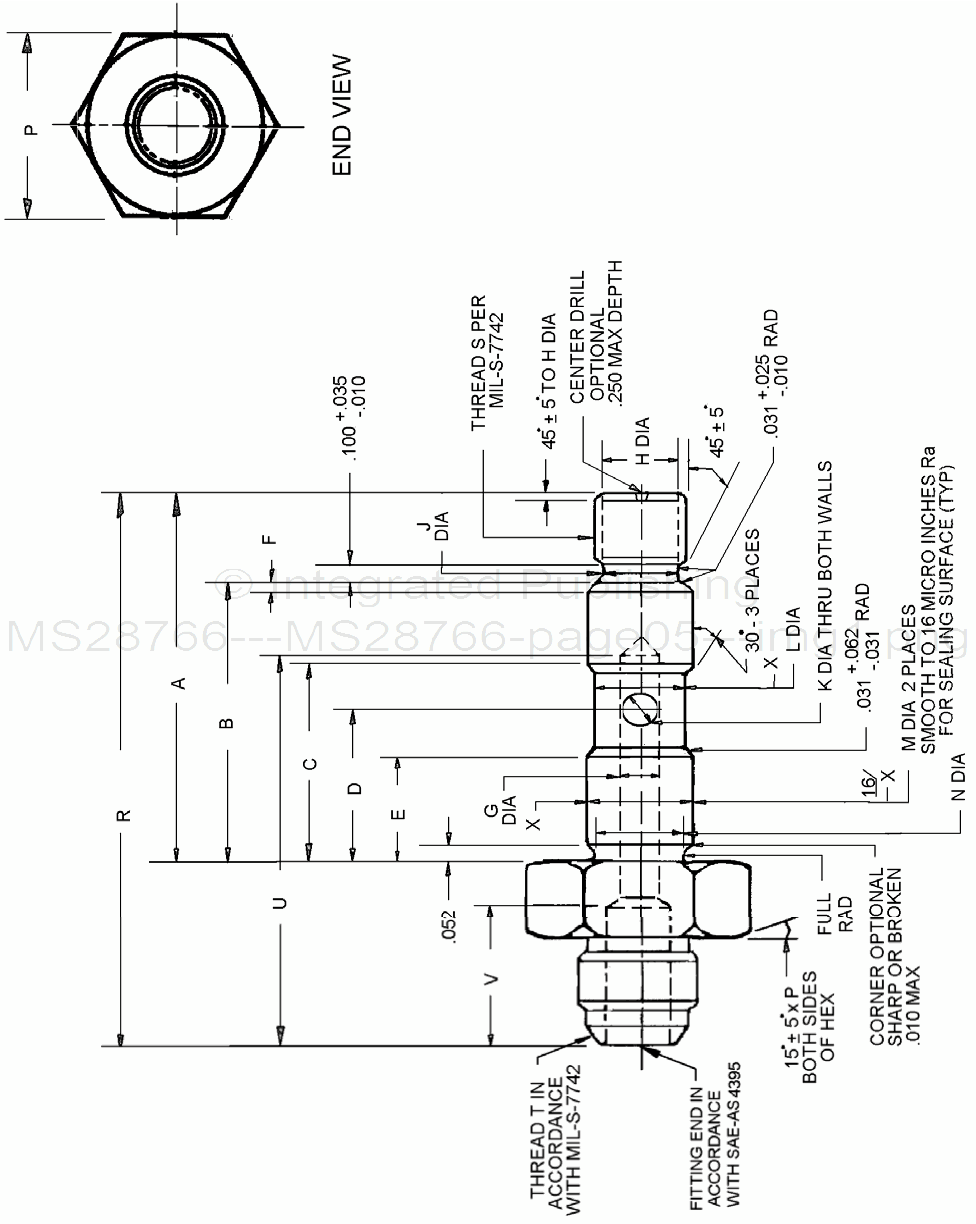
FIGURE 3. Bolt, valve design and configuration.
5
For Parts Inquires call Parts Hangar, Inc (727) 493-0744
© Copyright 2015 Integrated Publishing, Inc.
A Service Disabled Veteran Owned Small Business
MS28766B

FIGURE 3. Bolt, valve design and configuration.
5